project date:

22.Oct.2024

project duration:

3 Days

category:

Plumbing

client / company:

Living Needs Design Studio

project location:

Chennai

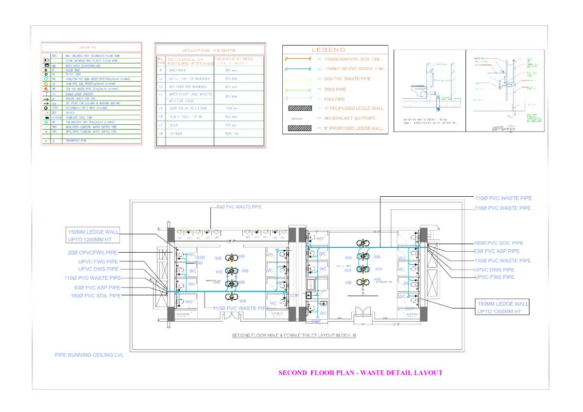
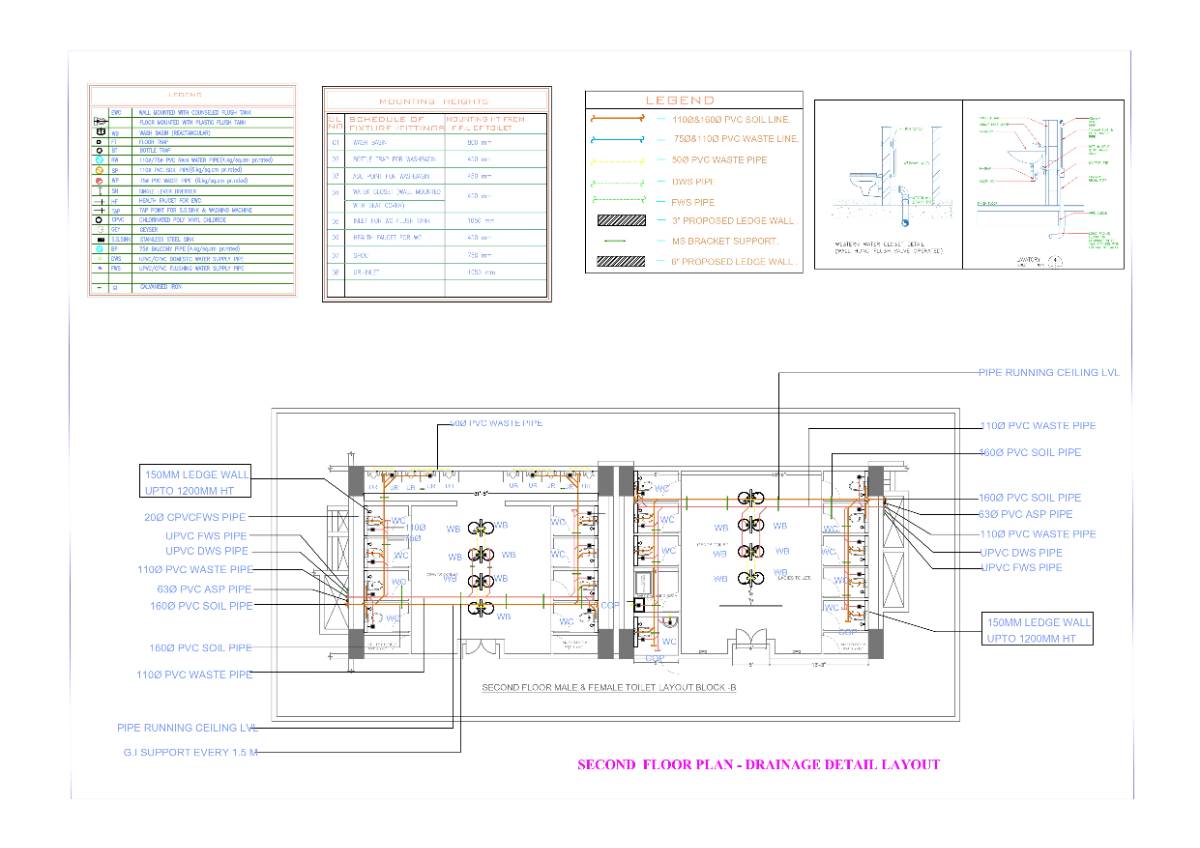
Project information

Water Supply Lines: Cold and hot water routing for all fixtures.
Drainage and Waste Systems: Proper slope, venting, and pipe sizing for waste removal.
Fixtures and Equipment Locations: Sinks, toilets, showers, water heaters, and pumps.
Pipe Material and Diameter: PVC, CPVC, PEX, or copper pipes with accurate dimensions.
Valves and Access Points: Shut-off valves, clean-outs, and inspection points for easy maintenance.
Compliance: Drawings adhere to local plumbing codes and standards for safety and efficiency.

Design highlights

Reduces installation errors and material wastage.
Ensures proper water flow and drainage.
Simplifies maintenance and future upgrades.
Provides clear documentation for clients and contractors.